Thông tin cơ bản bồn cầu TOTO MS625CDW17 1 khối nắp rửa điện tử TCF23460AAA:
- MS625CDW17#XW: bàn cầu của thương hiệu thiết bị vệ sinh TOTO
- Bồn cầu TOTO MS625CDW17 là sự kết hợp giữa thân cầu C625CD và nắp rửa điện tử Washlet dòng C2 TCF23460AAA (W17)
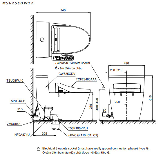
- Kích thước: L740 x W490 x H610 mm
- Thiết kế: thân dài, dấu dây
- Loại xả: nút nhấn đôi
- Hệ thống xả: Tornado
- Lượng nước xả: 4.8/3L
- Tâm xả: 305mm
- Áp lực nước: 0.05MPa~0.75MPa
- Màu sắc: Màu trắng
- Bao gồm bích nối sàn và van dừng
- Bảo hành 2 năm kể từ ngày mua hàng (Quý khách nên giữ phiếu bảo hành để bảo hành).
Bồn cầu TOTO MS625CDW17 1 khối gồm có:
- Thân cầu C625CD- Việt Nam
- Nắp rửa điện tửTCF23460AAA (W17) – Malayxia
Tính năng xí bệt TOTO C625CD kèm nắp rửa điện tử:
- Thiết kế giấu dây hiện đại, tăng tính thẩm mỹ
- Men sứ chống dính CeFiONtech kết hợp với công nghệ xả xoáy mạnh mẽ, hiệu quả giúp ngăn chặn bụi bẩn và tích tụ vi khuẩn
- Công nghệ nước điện phân khử khuẩn Ewater+ (vệ sinh vòi rửa)
- Chức năng vòi rửa massage đa chức năng: rửa trước, rửa sau, linh hoạt điều chỉnh vị trí vòi và lực nước
- Rửa bằng nước ấm, khử mùi, sấy khô và sưởi ấm bệ ngồi
- Tự động tiết kiệm điện theo thời gian cài đặt và tự vệ sinh vòi
- Tay gạt điều chỉnh điện tử bên hông
- Thiết kế bồn cầu thân kín, vành kín tiện dụng cho việc vệ sinh hàng ngày
Bản vẽ kỹ thuật bàn cầu TOTO MS625CDW17#XW:

Giới thiệu về Washlet:
Nắp rửa điện tử WASHLET là sản phẩm đột phá của TOTO – trở thành thương hiệu nắp rửa điện số 1 thế giới từ năm 2017 với hơn 60 triệu sản phẩm được bán ra toàn cầu. Với ý nghĩa làm sạch toàn diện, nắp rửa thông minh WASHLET còn đem lại cảm giác hài hòa và khỏe mạnh cho cuộc sống hàng ngày nhờ vào những tiện ích: Công nghệ phun sương khử trùng EWATER+ tiêu diệt 99,99% vi khuẩn, vòi rửa đa chức năng, nắp đóng mở tự động, sưởi ấm bệ ngồi, khử mùi, sấy khô. Với nắp rửa điện tử WASHLET, người dùng hoàn toàn dễ dàng lắp đặt được với bàn cầu thông thường.






Đánh giá
Chưa có đánh giá nào.