Thông tin cơ bản nắp êm bồn cầu TOTO TC600VS ( T8):
- Nắp đóng êm bồn cầu TC600VS là sản phẩm của thương hiệu TOTO
- Nắp rơi êm bàn cầu TC600VS được ký hiệu là nắp T8
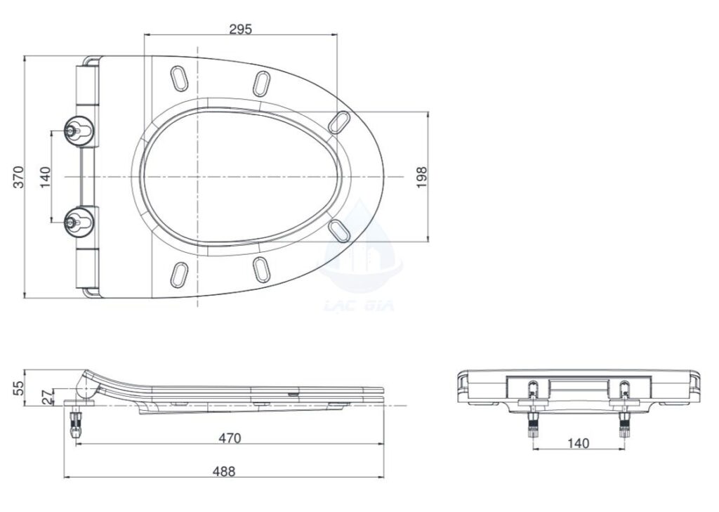
- Kích thước (DxRxC): 488 x 370 x 25 mm
- Chất liệu: nhựa cao cấp, không giòn, cứng cáp và bền bỉ
- Màu sắc: trắng, tươi sáng, tính thẩm mỹ cao
- Xuất xứ: Việt Nam
- Công nghệ: Nhật Bản
Tính năng nắp êm bồn cầu TOTO TC600VS:
- Phù hợp với các mẫu bàn cầu thân dài
- Nắp rơi êm, nắp rơi từ từ, không gây tiếng ồn
- Thiết kế đơn giản, đẹp mắt và dễ vệ sinh
- Chủ yếu nắp T8 kết hợp với các bàn cầu 1 khối thân dài như: cầu 855, 885, 887, 889 …
- Có thể lắp đặt đối với các mẫu bàn cầu 2 khối thân dài của TOTO như: 300, 320, 325, 769, 767, 735, 838, 948…
Bản vẽ kỹ thuật của nắp rơi êm bàn cầu TOTO TC600VS:

TOTO là nhà sản xuất nhà vệ sinh lớn nhất thế giới được thành lập vào năm 1917 ở Nhật Bản, góp phần đưa nhà vệ sinh lên một tầm cao mới. Mục tiêu của TOTO là trở thành một công ty đóng góp cho sự phát triển của xã hội và được mọi người trên thế giới tin tưởng, cộng với quy trình kiểm tra chuyên nghiệp trước khi đóng gói thì mọi sản phẩm TOTO đến tay khách hàng đều là các sản phẩm chất lượng, tinh tế. Ngoài ra, TOTO luôn hướng đến việc bảo vệ môi trường toàn cầu bằng việc sử dụng hiệu quả, tiết kiệm nguồn tài nguyên và năng lượng hạn hẹp… Cho nên TOTO là một thương hiệu rất được ưa chuộng và là sự lựa chọn hàng đầu ở nhiều công trình dự án nhà hàng, khách sạn, resort… cao cấp







Đánh giá
Chưa có đánh giá nào.