Thông tin chi tiết bồn cầu điện tử TOTO MS889DRW11 một khối nắp rửa Washlet tự đóng mở:
- MS889DRW11#XW là sản phẩm của thương hiệu thiết bị vệ sinh TOTO
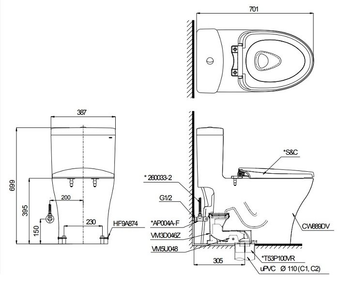
- Kích thước sản phẩm ( DxRxC): 701 x 387 x 699 ( mm)
- Hệ thống xả: Tornado ( xả xoáy) mạnh mẽ, hiệu quả ( 4.5L/3L)
- Loại xả: nút nhấn đôi
- Công nghệ men sứ chống dính CeFiONtech, hiệu quả vượt trội lâu dài
- Áp lực nước sử dụng: 0.05~ 0.70 ( Mpa)
- Màu sắc: màu trắng
- Tâm xả: 305mm ( bao gồm bích nối sàn và van dừng)
Bàn cầu nắp rửa điện tử TOTO MS889DRW11 gồm có:
- Thân cầu C889DR ( Việt Nam)
- Nắp rửa điện tử WASHLET TCF4911Z ( Malaysia)
Tính năng bồn cầu điện tử TOTO MS889DRW11:
- Nắp tự động đóng mở khi sử dụng
- Tính năng Ewater+ là sự thay thế hoàn hảo cho các chất tẩy rửa độc hại để loại bỏ vi khuẩn
- Ánh sáng đèn nhẹ ban đêm
- Men sứ chống dính CeFiONtech ngăn chặn bụi bẩn và tích tụ vi khuẩn
- Công nghệ xả xoáy mạnh mẽ và hiệu quả
- Chức năng vòi rửa massage đa chức năng: rửa trước, rửa sau, linh hoạt điều chỉnh vị trí vòi và lực nước
- Điều chỉnh nhiệt độ: nước ấm, sấy khô và bệ ngồi
- Tự động khử mùi,vệ sinh vòi và tiết kiệm điện theo thời gian cài đặt.
- Có bảng điều khiển từ xa ( không dây) với 2 chế độ người dùng.
Bản vẽ bàn cầu TOTO C889DR:

Giới thiệu về Washlet:
Nắp rửa điện tử WASHLET là sản phẩm đột phá của TOTO – trở thành thương hiệu nắp rửa điện số 1 thế giới từ năm 2017 với hơn 60 triệu sản phẩm được bán ra toàn cầu. Với ý nghĩa làm sạch toàn diện, nắp rửa thông minh WASHLET còn đem lại cảm giác hài hòa và khỏe mạnh cho cuộc sống hàng ngày nhờ vào những tiện ích: Công nghệ phun sương khử trùng EWATER+ tiêu diệt 99,99% vi khuẩn, vòi rửa đa chức năng, nắp đóng mở tự động, sưởi ấm bệ ngồi, khử mùi, sấy khô. Với nắp rửa điện tử WASHLET, người dùng hoàn toàn dễ dàng lắp đặt được với bàn cầu thông thường.


Đánh giá
Chưa có đánh giá nào.