hông tin chi tiết bồn tiểu nam TOTO UT500T:
- Mã sản phẩm : UT500T là bồn tiểu nam treo tường của thương hiệu TOTO
- Tiện lợi khi có thể kết hợp với xả nhấn hay xả cảm ứng.
- Có men chống bám bẩn CeFiONtech hạn chế tối đa các vết bẩn, vi khuẩn
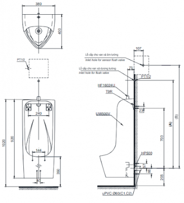
- Kích thước : 400x380x920 (mm)
- Áp lực nước: 0.07Mpa~0.75Mpa
- Lượng nước xả: 2L
- Lỗ cấp nước: phía trên
- Màu sắc: màu trắng
- Xuất xứ: Việt Nam
Chi tiết phụ kiện:
- Thân tiểu: U500T
- Móc treo: T9R/T9RA
- Bộ bích nối: HP500
- Bộ nối cấp nước: HF16024-U
Bản vẽ kỹ thuật UT500T:



Đánh giá
Chưa có đánh giá nào.