Thông tin cơ bản Nắp rửa cơ ecowasher TCW1211A TOTO:
- TCW1211A là nắp đóng êm kèm vòi rửa nước lạnh dành cho bàn cầu thân dài và bàn cầu thường của thương hiệu TBVS TOTO
- Mã sản phẩm: TCW1211ANW1
- Đi với cầu ký hiệu là E4
- Áp lực nước: 0.05 ~ 0.75 MPa
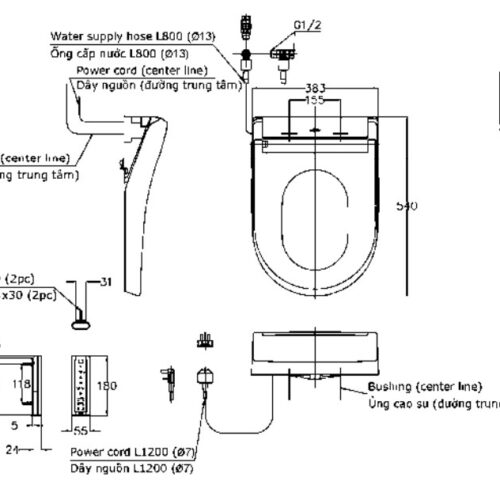
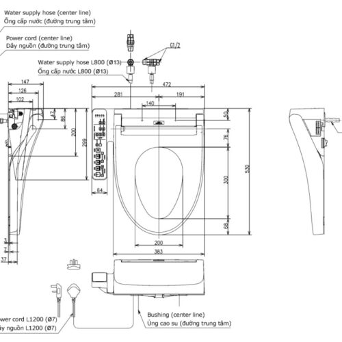
- Kích thước (DxRxC): 509 x 380 x 105 mm
- Chất liệu: nhựa cao cấp
- Màu sắc: trắng
- Xuất xứ: Indonexia
- Bảo hành 2 năm kể từ ngày giao hàng ( Quý khách nên giữ phiếu bảo hành để bảo hành).
Nắp rửa cơ TOTO bao gồm:
- Nắp bồn cầu: 1
- Bệ ngồi: 1
- Vòi rửa: 1
- Ốc vít đi kèm
- Hướng dẫn lắp đặt: 1 quyển
- Hướng dẫn sử dụng: 1 quyển
- Phiếu bảo hành: 1 phiếu
Tính năng Nắp rửa cơ ecowasher TOTO TCW1211A:
- Sản phẩm phù hợp với các mẫu bàn cầu thân dài và thân cầu thường.
- Nắp rơi êm, nắp rơi từ từ, không gây tiếng ồn
- Thiết kế đơn giản, đẹp mắt
- Vòi rửa làm từ nhựa cao cấp cho thời gian sử dụng bền bỉ và hạn chế bị hư hại trong quá trình sử dụng.
- Tích hợp 2 chế độ rửa sau và rửa trước (dành cho nữ)
- Không cần sử dụng điện, giúp tiết kiệm và bảo vệ môi trường
- Nút vặn được thiết kế hợp lý tạo sự thoải mái cho người dùng, sử dụng dễ dàng chỉ với một thao tác vặn.
- Dễ dàng tháo lắp, vệ sinh.
Bản vẽ kỹ thuật:
Lưu ý:
- Đảm bảo nguồn nước sử dụng phải là nước sạch (không cát, bụi bẩn).
- Không sử dụng các chất sau: chất tẩy rửa bồn cầu, chất tẩy rửa gia dụng, benzen, chất tẩy màu, chất tẩy rửa dạng bột hoặc bàn chải ni lông, …
Vì có thể gây hư hỏng hoặc nứt vỡ phần bằng nhựa và gây thương tích hoặc sự cố thiết bị, hỏng ống cấp nước, gây ra rò rỉ nước - Không dùng một lực mạnh hay cứng tác động lên thiết bị Eco washer.
- Không đứng hay đặt các vật nặng lên trên bệ ngồi, nắp bàn cầu hoặc phần thân chính











Đánh giá
Chưa có đánh giá nào.