Thông tin cơ bản Van điều chỉnh nóng lạnh TOTO TBS02303B:
- TBV02303B là van gật gù điều chỉnh nóng lạnh dòng LN của thương hiệu thiết bị vệ sinh TOTO
- Thiết kế: dáng tròn
- Chất liệu: Đồng mạ Niken Crom cao cấp
- Áp lực nước: 0.05 ~ 0.1 MPa
- Loại: nóng lạnh, tay gạt đơn
- Chế độ nước: 2 chế độ nóng và lạnh
- Xuất xứ: Trung Quốc
- Bảo hành 2 năm kể từ ngày giao hàng.
Van sen tắm âm tường TOTO TBS02303B bao gồm:
- TBS02303B: nắp trang trí và tay gạt
- Chìa lục giác, ốc vít đi kèm
- Hướng dẫn lắp đặt: 1 quyển
- Hướng dẫn sử dụng: 1 quyển
- Phiếu bảo hành: 1 phiếu
Tính năng Van điều chỉnh nóng lạnh TOTO TBS02303B:
- Thiết kế sang trọng, hiện đại
- Dùng cho sen tắm âm tường 1 đường nước, điều chỉnh bằng tay gạt
- Lớp mạ Niken dày gấp 3 lần, chống ăn mòn cao, bền vững và sáng bóng với thời gian.
- Dễ dàng lắp đặt và sử dụng.
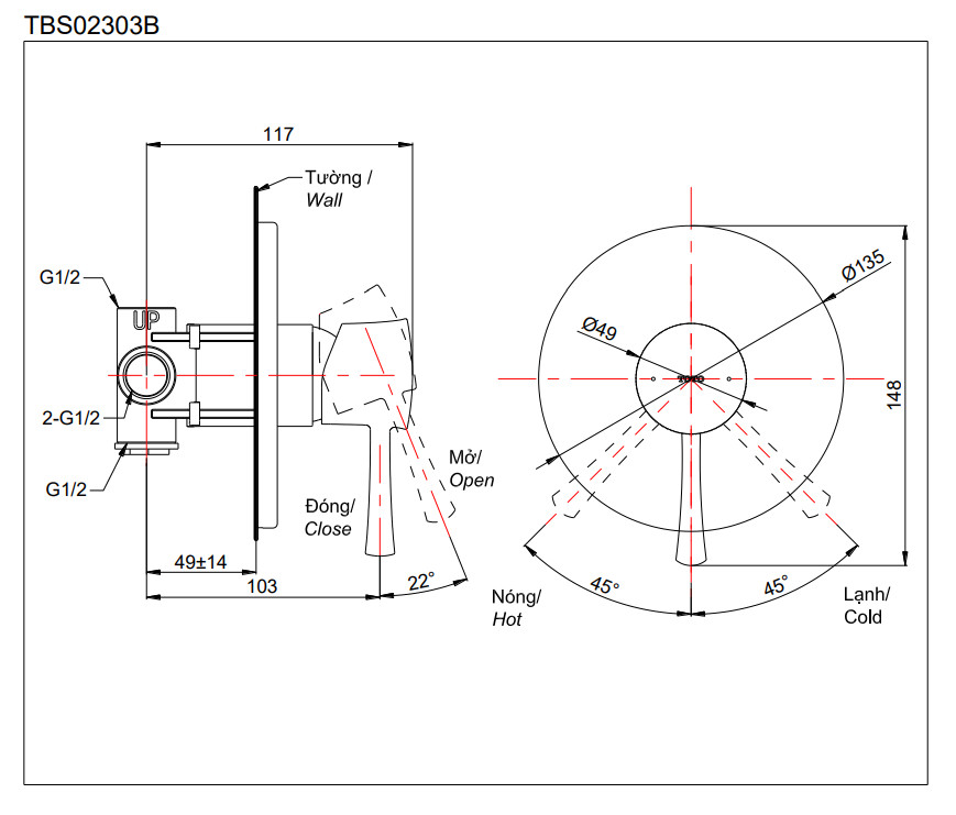
Bản vẽ kỹ thuật TBS02303B:

Lưu ý:
Không sử dụng vải cứng, hoá chất tẩy rửa axit mạnh để tránh làm trầy xước, hư lớp mạ … Nên thường xuyên vệ sinh bằng nước lạnh lau khô qua 1 lần rồi dùng khăn khô để lau lại để có được sản phẩm sáng bóng, bền và đẹp
Điều kiện sử dụng: Để ngăn ngừa hư hỏng bên trong vòi sen, nhiệt độ nước đầu ra của vòi sen không được vượt quá 60°C. Nên sử dụng nhiệt độ dưới 45°C.
Cách bảo quản để có sản phẩm sáng đẹp và bền: thường xuyên lau bằng khăn mềm thấm nước ướt để lau qua 1 lần nước rồi dùng ngay khăn mềm khô để lau lại. Nếu có dấu vết khó lau, hãy dùng khăn mềm thấm nước tẩy rửa trung tính rửa sạch rồi rửa sạch lại bằng nước.







Đánh giá
Chưa có đánh giá nào.